Features
◇ Good wear resistance and oil resistance.
◇ Good elasticity and high tensile strength
◇ PU material,suitable for handling carton and workpiece with even surface. Its life time is 2-3 times longer than rubber.
Applications
·◇ Workpiece with even surface
◇ Paper box
| How to order | |||||
| SFP 20 U -G1F ① ② ③ ④ | |||||
| ① Series | ② Diameter | ③ Material & Hardness | ④ Connection thread | ||
| SFP | 20 -φ20mm 30 -φ30mm 40 -φ40mm | U - PU UY - PU | Nil - Suction cup alone GIF - Gl/8 Femalethread G1M - Gl/8 Male thread | ||
| Selection | |||
| Model/ Connection thread | G1F | G1F | |
| SFP20 - 40 | ● | ● | |
◇Note: "●"- standard, in stock.
| Technical parameters | ||||
| Model | Pull-out force(N) | Inner volume (cm3) | Min. curve radius of workpiece (mm) | Recommended hose dia. (mm) |
| SFP20 | 14 | 0 | 24 | 6 |
| SFP30 | 21 | 1 | 42 | 6 |
| SFP40 | 57 | 2.7 | 52 | 6 |
◇Note: Testing vacuum level -60kPa. Workpiece with smooth and clean surface. The data of pull-out force as above are
figured out without considering safety factor. The data may be different according to different workpiece surfaces.

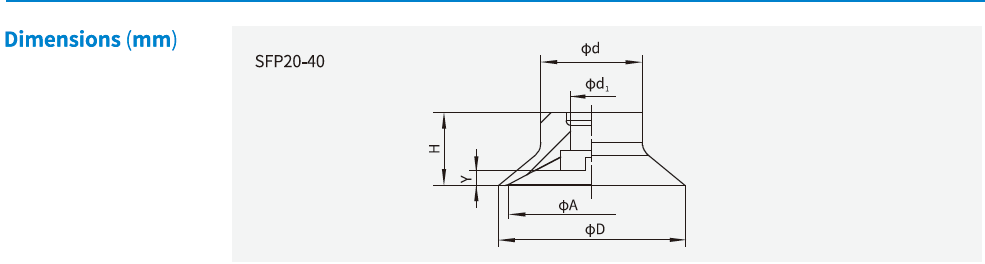
| Model/ Size | D | H | A | d | d1 | Y |
| SFP20 | 22 | 8.6 | 20 | 12 | 5 | 1.6 |
| SFP30 | 31 | 10.5 | 30 | 15.8 | 5 | 2 |
| SFP40 | 41 | 4 | 40 | 21 | 6.5 | 2.5 |

| Model/ Size | D | H | G | h | LG | Y | S |
| SFP20-G1F | 22 | 8.6 | G1/8 | 8 | 7 | 1.6 | 13 |
| SFP20G1M | 22 | 8.6 | G1/8 | 7.8 | 6 | 1.6 | 13 |
| SFP30-G1F | 31 | 10.5 | G1/8 | 8 | 7 | 2 | 13 |
| SFP30-G1M | 31 | 10.5 | G1/8 | 7.8 | 6 | 2 | 13 |
| SFP40-G1F | 41 | 14 | G1/8 | 10 | 7 | 2.5 | 17 |
| SFP40-G1M | 41 | 14 | G1/8 | 12 | 6 | 2.5 | 17 |
| Mounting parts | |||||||||
| Item | Model | Applicable suction cup | |||||||
| F-Female thread | M - Male thread | ||||||||
| Fitting for suction cup | PJS-G1F-SF1-EW | PJS-G1M-SF1-EW | SFP20、30 | ||||||
| PJS-G1F-SF2-EW | PJS-G1M-SF2-EW | SFP40 | |||||||